O que é máquina de moldagem por injeção de plástico semiautomática?
Uma Máquina de Moldagem por Injeção Semiautomática é um tipo de equipamento usado para a produção de produtos plásticos moldados, que opera com algum nível de intervenção manual junto com processos automatizados. Essas máquinas podem ser usadas para uma variedade de aplicações de moldagem e são adequadas para pequenas e médias tiragens de produção. A parte automatizada do processo normalmente inclui a injeção do material no molde e a ejeção do produto acabado. A Máquina de Moldagem por Injeção Semiautomática geralmente consome menos energia em comparação com máquinas totalmente automáticas, contribuindo para economia de custos e eficiência energética.
As principais características da máquina de moldagem por injeção de plástico semiautomática
Injeção Automatizada
A máquina injeta automaticamente o material plástico fundido em uma cavidade do molde, controlada por um sistema de controle eletrônico.
01
Abertura/Fechamento Manual do Molde
O operador abre e fecha o molde manualmente, diferentemente das máquinas totalmente automáticas que realizam essa ação automaticamente.
02
Remoção manual de peças
Após cada ciclo, o operador remove manualmente a peça moldada do molde.
03
Iniciação do Ciclo
O ciclo da máquina normalmente é iniciado pelo operador pressionando um botão ou usando um pedal, em vez de ser totalmente automatizado.
04
Complexidade reduzida
Máquinas semiautomáticas geralmente são menos complexas e mais acessíveis do que sistemas de moldagem por injeção totalmente automatizados, o que as torna uma escolha popular para produção em menor escala ou prototipagem.
05
Recurso
1. Flexibilidade.
2. Âmbito de aplicação.
3. Custo-benefício.
4. Eficiência.
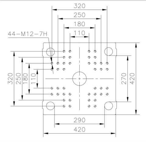
Dimensões da placa


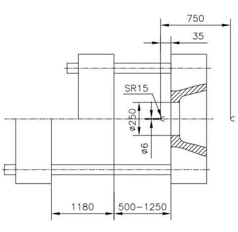
Dimensões da máquina


Máquina de moldagem por injeção semiautomática é um dispositivo que injeta plástico derretido em um molde por meio de uma seringa para fazer produtos plásticos. A máquina de moldagem por injeção semiautomática tem as vantagens de fácil operação e alta eficiência, e é amplamente usada no campo de produção de produtos plásticos.
Processo de operação da máquina de moldagem por injeção de plástico semiautomática
1. Ligue a máquina de moldagem por injeção: Ligue a máquina de moldagem por injeção de acordo com as etapas de operação da máquina de moldagem por injeção.
2. Aquecimento: Aguarde até que a máquina de moldagem por injeção aqueça até a temperatura pré-determinada.
3. Adição de materiais: Adicione as matérias-primas preparadas ao funil da máquina de moldagem por injeção.
4. Fechamento do molde: Pressione o botão de fechamento do molde para fechar o molde da máquina de moldagem por injeção e iniciar a moldagem por injeção.
5. Moldagem por injeção: A máquina de moldagem por injeção começa a pressurizar e injeta as partículas de plástico derretidas no molde.
6. Manutenção da pressão: Mantenha uma certa pressão para permitir que o produto solidifique.
7. Remoção do molde: A máquina de moldagem por injeção abre o molde e retira o produto moldado.
8. Resfriamento por spray de água: resfrie o produto com água fria.
9. Trefilação: Use uma máquina de trefilação para remover rebarbas ou resíduos do produto.
10. Prepare-se para a próxima rodada de produção: repita os passos acima.
Manutenção Máquina de moldagem por injeção de plástico semiautomática
Esvazie o filtro de ar
O ar no tanque pode entrar e sair facilmente em resposta a mudanças no nível de óleo graças ao filtro de ar fora do tanque. O filtro de ar precisa ser removido, limpo com querosene e seco com uma pistola de ar toda vez que o óleo for trocado e mantido. Sujeira pode entrar no tanque de combustível e contaminar o óleo se ele não for limpo.
Limpeza do filtro de óleo hidráulico
O filtro de óleo é responsável pela limpeza do óleo hidráulico. Para manter o tubo de sucção de óleo limpo, o filtro de óleo precisa ser limpo a cada três meses. Verifique se há danos na rede do filtro de óleo simultaneamente.
Lave as paredes externas e internas do refrigerador de óleo-água
Em termos gerais, o refrigerador de óleo hidráulico precisa ser limpo uma vez por ano, embora a frequência das limpezas possa ser alterada com base no desempenho e nas condições operacionais do refrigerador. A eficiência de resfriamento de ambos os refrigeradores será impactada por incrustações ou obstruções internas, portanto, a água de resfriamento precisa ser pura.
Tag: máquina de moldagem por injeção de plástico semiautomática, fabricantes, fornecedores e fábrica de máquinas de moldagem por injeção de plástico semiautomáticas da China, Máquina de moldagem de injeção moderna, Máquina de moldagem por injeção para embalagem de moldagem por injeção de pó, Máquina de moldagem por injeção para embalagem farmacêutica, máquina de injeção automática, máquina de moldagem por injeção hidráulica, Máquina de moldagem por injeção para embalagem refletiva








